

What is Electronic Speed Control (ESC) & How Does It Work?
Catalog
What is Electronic Speed Control (ESC)?ESC DesignThe Function of Electronic Speed ControlFeatures of an Electronic Speed ControlComponents used in an ESCTypes of Electronic Speed ControllersElectronic Speed Controller Circuit ESC FirmwareElectronic Speed Controller for DronesHow Does an ESC Work?Choosing the Right ESCApplications of ESCFinal WordsFrequently Ask QuestionsRelated ArticlesToday, we see electric motors being used everywhere to control speed. You can find them in all kinds of machines—from simple household appliances in the garage or garden to big industrial plants, running pumps, conveyor belts, and more. This shows just how important speed control has become for many electric machines. Without a good way to manage motor speed, many things would not work as smoothly. That is why electronic speed control is used to regulate the speed of motors and machinery. This article gives a simple overview of what electronic speed control is, and how it is used in motors, drones, vehicles, and other machines.
What is Electronic Speed Control (ESC)?
"ESC" stands for Electronic Speed Control. It is an electronic circuit that helps adjust the speed of an electric motor, change its direction, and even act as a brake. ESCs are commonly found in remote-controlled models that are powered by electricity. They are especially used for brushless motors, which require a 3-phase electric power source. ESCs provide this power at low voltage, allowing the motor to run.
An ESC can either be a separate device connected to the throttle control of a receiver, or it can be built into the receiver itself. This is common in many toy-grade remote-controlled cars and other vehicles. Some manufacturers of remote-controlled toys combine the motor speed control and the receiver onto a single circuit board to keep things simple, especially in entry-level models like cars, boats, or aircraft.

Electronic Speed Controller
ESC Design
An electronic speed controller (ESC) is made up of three main parts: a voltage regulator or Battery Eliminator Circuit (BEC), a processor, and switches, which are usually made of FETs (Field-Effect Transistors). The BEC is a part of the ESC that sends power back to your receiver, and from there, to the servos.
The BEC also has an important extra function. When the motor is running on a battery and the battery starts getting low, the BEC makes sure to save some power for the flight controls in case of emergency. This way, the motor does not use up all the battery power, which could lead to losing control. Nowadays, the processor in the ESC is typically enclosed in a single silicon chip.
The processor’s job is to decode the information it gets from the receiver in the model and then control the power going to the motor using the FETs. In an ESC, the transistors are key players. They manage all the hard work, monitoring the motor’s current and voltage, as well as the battery. These transistors act like switches, controlling the flow of current and regulating the motor’s speed.
The Function of Electronic Speed Control
An electronic speed control (ESC) works by following a speed signal to adjust how fast a motor runs. It does this by controlling a network of field-effect transistors (FETs). The motor speed can be changed by adjusting how often the transistors switch on and off (switching frequency) or by changing how long they stay on during each cycle (duty cycle).
For brushless motors (BLDC motors), speed control is a bit different because these motors work by changing the voltage on their armature. To control the speed, you have to adjust the timing of the pulses that send current to the different windings in the motor.
Brushless ESC systems create 3-phase AC power, like what you would find in a variable frequency drive (VFD), to make brushless motors run. These motors are preferred over brushed motors because they are more powerful, efficient, lightweight, and last longer. However, controlling BLDC motors is more complex than controlling brushed motors.
The ESC also helps track the motor’s rotation and adjusts the timing of the phases accordingly. Usually, the motor’s rotation can be detected through back electromotive force (back EMF), but sometimes optical detectors or Hall Effect sensors are used instead.
Many ESCs come with programmable options that allow users to set features like braking, acceleration, timing, and the direction of rotation. If you want to reverse the motor’s direction, you can simply switch any two of the three leads between the ESC and the motor.
Features of an Electronic Speed Control
An electronic speed control (ESC) is responsible for managing the speed of a motor, like how a throttle servo controls the power in a fuel-powered airplane. It acts as a connection between the radio receiver of the airplane and the motor. An ESC typically has three sets of wires. One set connects to the main battery of the airplane. The second set is a standard servo wire that plugs into the throttle channel of the receiver. The third set of wires is used to power the motor.
Some key features of an ESC include a battery eliminator circuit (BEC), which supplies power to the receiver; a low voltage cutoff to prevent over-draining the battery; and a brake function, which can stop the motor when needed.
Components used in an ESC
The components used in an ESC generally include:
- Solder pads for the three phases of a brushless DC (BLDC) motor
- Negative (-) LIPO battery connections
- Positive (+) LIPO battery connections
- Servo signal input or pulse-width modulation (PWM) input signal
- Ground (GND) reference for the PWM signal
- Solder jumper for changing the direction of motor rotation (clockwise or counterclockwise)
- Solder jumper for adjusting the type of PWM input signal
- Status LED to show the state of the ESC

Assembly of ESC
Types of Electronic Speed Controllers
There are two main types of electronic speed controllers (ESCs), and which one you need depends on your specific requirements. These are commonly found in RC model shops and are divided into brushed ESCs and brushless ESCs.

Types of Electronic Speed Control
Brushed ESC
A brushed ESC is the older type of electronic speed controller and has been around for many years. It is inexpensive and widely used in various ready-to-run (RTR) electric RC vehicles.
Brushless ESC
A brushless ESC is a more modern and advanced type of speed controller. While it costs a bit more, when paired with a brushless motor, it delivers more power and better performance compared to brushed motors. It also tends to last longer.
Electronic Speed Controller Circuit
The term ESC stands for "electronic speed controller." Its main job is to control how much power goes from the aircraft’s battery to the electric motor, depending on the position of the throttle stick. In the early days, speed controllers were mostly used in remote-controlled boats and cars, and they worked by using a variable resistor with a wiper, moved by a small servo motor, to adjust the speed.

ESC Circuit
This method works pretty well when the throttle is fully open because the battery is directly connected to the motor. However, at partial throttle, the current flows through a resistor, which causes some of the power to be wasted as heat. Since the model aircraft usually operates at partial throttle, this approach is not the most efficient way to control power.
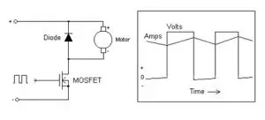
Modern speed controllers work differently by quickly switching the power to the motor on and off. Instead of using a mechanical switch, they use a MOSFET transistor, which switches about 2000 times per second. The motor’s power is controlled by adjusting how much time the switch is on compared to how much time it is off in each cycle.
Here is a simple explanation of how this works with a basic ESC circuit and a waveform diagram.
When the MOSFET is switched on, the current increases as the magnetic field in the motor's windings builds up. When the MOSFET switches off, the energy stored in the windings needs to be absorbed by the ESC. By placing a diode across the motor, we can send this energy back into the motor as current, which decreases as the magnetic field fades.
ESC Firmware
Most modern electronic speed controllers (ESCs) have a built-in microcontroller that reads the input signal and controls the electric motor using a pre-programmed set of instructions, called firmware.
In some cases, it is possible to change the original factory-installed firmware to something different. This allows the ESC to be customized for a specific purpose. Some ESCs come with firmware that can be upgraded by the user, while others may require soldering to make changes. Typically, these ESCs are sold as "black boxes" with proprietary firmware that you cannot easily modify.
Electronic Speed Controller for Drones
Drones are becoming more popular across a wide range of fields—from hobbyist use to industrial, commercial, and even advanced military applications. One of the key benefits of drones is that they can be controlled remotely, allowing them to fly over areas that are hard, inconvenient, or even dangerous to reach in person. Drones have many commercial uses, such as inspecting buildings, monitoring agricultural fields, filming, and delivering essential goods like medicines and packages.
Most high-end drones are equipped with brushless DC (BLDC) motors, but these motors need careful and continuous speed control to ensure they rotate in the right direction. This is where the ESC (electronic speed controller) comes into play. The design of an ESC for a drone includes several important features:
- The type of system used to control the motor
- A balance between cost and efficiency
- The type of battery used in the drone
- The required performance level
- Compatibility with electromagnetic fields (EMC) and resistance to interference
Drones typically use two types of brushless motors: BLDC (brushless DC motors) and BLAC (brushless AC motors), which are also known as PMSM (permanent magnet synchronous motors). The choice of motor depends largely on the control algorithm being used, whether it's trapezoidal control or field-oriented control (FOC).
How Does an ESC Work?
Electronic Stability Control (ESC) is a critical safety feature in cars that helps prevent skidding and allows drivers to maintain control during tricky driving situations. It works by automatically applying the brakes to help steer the vehicle in the right direction if it starts to lose control.
ESC is one of the key active safety systems found in most modern cars and commercial vehicles. In many European countries, almost all cars come equipped with this technology. Active safety systems like ESC are designed to either prevent accidents from happening or help the driver reduce the impact of a potential crash. These systems constantly monitor the car’s performance and surroundings, giving the driver extra control in dangerous situations.
Choosing the Right ESC
The most important thing when choosing an Electronic Speed Control (ESC) is to make sure it matches the type of motor you are using. Always use a brushed ESC with a brushed motor, and a brushless ESC with a brushless motor—never mix them up. A quick way to tell the difference is by the wires: if the motor has two wires, it's brushed; if it has three, it's brushless.
For those who are new to ESCs, many ready-to-run (RTR) RC models come with an ESC already installed. Most of these are brushed digital units that perform fairly well. However, if your RC car has an older analog speed control that uses a servo to move the throttle arm, consider upgrading to a digital ESC for better performance.
It is also a good idea to get an ESC with reverse functionality. This will allow you to quickly recover your RC car if it gets stuck on the track, without having to run down to it and manually reset it.
Applications of ESC
ESCs are used in a variety of remote control and vehicle applications, including:
- Electric cars
- Electric bicycles
- Electric aircraft
- Cars
- Helicopters
- Airplanes
- Boats
- Quadcopters (drones)
- ESC Firmware
Final Words
In conclusion, we have covered the basics of electronic speed controllers. We hope this helps you understand how ESCs work. If you have any further questions or need help with electrical projects, feel free to leave a comment below. Here's a question for you: What is the function of an ESC?
Frequently Ask Questions
What is the function of an electronic speed controller (ESC)?
The ESC functions as the intermediary that regulates the connection between the battery and the electric motor. It governs the motor's rotation by transmitting timed electrical signals, which result in variations in speed.
Why is an ESC necessary?
Electronic stability control systems aid in preventing vehicles from skidding during turns and help drivers maintain control in critical driving scenarios. An ESC system assesses information from multiple sensors and activates when it identifies a loss of control, making throttle and brake adjustments to guide the vehicle back onto its intended path.
In what fields are ESCs applied?
ESCs are utilized in drones, robotics, and industrial automation. They are integral to contemporary motor control systems, especially in drones, remote-controlled vehicles, and industrial automation.
For what purposes can ESCs be utilized?
Laboratory-grown tissues derived from ESCs can be employed to test drugs for toxicity or other effects. Numerous studies are exploring the potential use of ESCs in treating a variety of diseases, ranging from multiple sclerosis to blindness and diabetes.
Does ESC impact speed?
An electronic speed control (ESC) is an electronic circuit that manages and regulates the speed of an electric motor. It can also enable motor reversal and dynamic braking. Miniature ESCs are used in electrically powered radio-controlled models.
Related Articles
Emitter Coupled Logic: Circuit, OR/NOR Gate, and Applications
IC knowledge of popular science - the classification of integrated circuits
Different Types of Audio Cables and How to Pick the Right One
Subscribe to JMBom Electronics !












